FonoPronto.cl
Reparación de calefont Junkers
Reparación de calefont Junkers
No se pudo cargar la disponibilidad de retiro
FONOPRONTO es una Empresa especializada en la REPARACIÓN Y MANTENCIÓN de Calefont JUNKERS BOSCH y TODOS NUESTROS TÉCNICOS SON DEBIDAMENTE AUTORIZADOS Y CERTIFICADOS SEC.🇨🇱
Si su calefont no enciende o se filtra agua 💦 o fuga de gas 💨o se produce explosión en los quemadores y se encuentra sin mantenimiento requiere urgente la visita de un técnico.La mantención debe realizarse una vez al año, más allá de calentar bien el agua, la mala combustión puede producir una alta emanación de monóxido de carbono y eso es dañino para la salud y la exposición prolongada puede producir la muerte. El diagnóstico a domicilio es realizado por técnicos certificados SEC y son de $15.000 si usted realiza la reparación indicada por el técnico se descuenta del total del presupuesto.
Para el cambio o reparación a Domicilio,se puede realizar el mismo día o a más tardar las próximas 24 horas llamando al 940882129 o también llenando el formulario de contacto, para coordinar la visita del técnico en la reparación o mantención de su calefont ,que se encuentra en nuestra página web solo Santiago de Chile.
La instalación de un calefont nuevo debe ser realizada solo por técnicos certificados SEC, ya que es requisito indispensable para cubrir la garantía del producto, que es por lo general de tres años.
Todos los calefont nuevos cuentan con una garantía del producto,por lo tanto la marca exige que debe ser instalado por técnico SEC,ya que debe cumplir ciertos requisitos para la cobertura de la garantía:
-La instalación debe ser realizada por un instalador SEC autorizado.
-La instalación del calefont debe cumplir la normativa vigente SEC.(ducto evacuación de gases,conexiones de gas y agua,instalación del mismo artefacto).
-Mantención anual del calefont (lo exige la marca).
-No intervenir el artefacto por personal no autorizado (cuide su seguridad).
-Presentación de la boleta de compra del producto (para ver fecha en que se realizó la compra).
- SELLO ROJO (riesgo de explosión o intoxicación)
- Fuga de gas en el artefacto o en conexiones
- Fuga de agua en el artefacto
- Sin ducto evacuación de gases
- Ducto sin sello de silicona alta temperatura.
- SELLO AMARILLO
- Falta de mantención del artefacto
- Sistemas de seguridad defectuoso o no operativo
- Artefacto más de 10 años (desgaste de piezas)
- Ducto visiblemente dañado,abollado, corrosión
- Ducto obstruidos por elementos extraños
- Artefacto excede en temperatura.
El horario de atención de nuestro servicio técnico es de lunes a domingo 24/7 solo Santiago.
también puedes hacer el pedido Online donde retiramos el artefacto en la dirección indicada,lo reparamos y lo instalamos en tu domicilio.
Si eres de región puedes solicitar los repuestos que necesites para la reparación de tu calefont a nuestra tienda, donde nosotros te lo despachamos a la brevedad.
Todos los medios de pago tarjeta débito tarjeta de crédito transferencia y efectivo
MODELOS JUNKERS: Hydrobase 1500,termoeléctrico-WR 250,300,400KB-ionizado WR con válvula gris-tiro forzado antiguo con válvula gris-W11,W14 con piezo MiniMAXX 11,14 y 16 litros, hydro base Smart C 11 y 14 litros, HydroBattery Smart C 10 y 13 litros eléctrico-ionizado WR11,14,16 litros-hydropower WRD11,14,16 litros-hydropower plus 11,14 y 16 litros -hydrobatery smart 10,13 litros-tiro forzado WR 10,13,16 litros-hydrosense 5,7 litros-hydrowind easy 7-10 y12 litros hydrowind plus 10,12,15,18 y 21 litros, Hydrocompact cámara estanca 12,15 y 18 litros,Celsius Next calefont termo estático tiro forzado altos litrajes cascada de 12 unidades.
Termo eléctrico Bosch Tronic 8000 35 litros,50 litros, 75 litros,100 litros,120 litros,150 litros.
Termo eléctrico Bosch Tronic 2000 30,50,80,100 y 120 litros
Calderas mixtas Bosch Gaz 6000w 18,24,28,35 kw
Termosifon Bosch sistema solar 150 litros
**Bienvenidos a FONOPRONTO Reparación de Calefont**
En FONOPRONTO, nos enorgullece ser líderes en el servicio de reparación de calefont. Con años de experiencia en el sector, hemos construido una reputación sólida como la opción confiable para restaurar la comodidad en tu hogar.
**Nuestros Servicios**
Ofrecemos una amplia gama de servicios de reparación de calefont, desde diagnósticos precisos hasta reparaciones eficientes y mantenimiento preventivo. Nuestro equipo de técnicos altamente capacitados y certificados está listo para abordar cualquier problema que puedas tener con tu sistema de calefacción de agua.
**Por Qué Elegirnos**
- **Experiencia**: Conocemos los calefont como nadie. Nuestra experiencia nos convierte en expertos en el diagnóstico y solución de problemas.
- **Servicio Rápido**: Entendemos la importancia del agua caliente en tu vida diaria. Por eso, nos esforzamos por brindar un servicio rápido y eficiente.
- **Precios Competitivos**: Ofrecemos tarifas competitivas sin comprometer la calidad de nuestro trabajo.
- **Compromiso con la Calidad**: Utilizamos piezas de repuesto de calidad y técnicas de reparación de vanguardia para garantizar resultados duraderos.
- **Atención al Cliente**: Nuestro compromiso con la satisfacción del cliente es innegociable. Tratamos cada caso con la máxima seriedad y profesionalismo.
**Contáctanos**
Si tu calefont necesita reparación, no dudes en ponerte en contacto con nosotros. Estamos disponibles para atender tus necesidades de calefacción de agua de manera rápida y eficiente. ¡Confía en FONOPRONTO Reparación de Calefont para mantener tu hogar cómodo y acogedor!
Guía para la Reparación de Calefont: Soluciones Comunes a Problemas de Agua Caliente"**
La falta de agua caliente en casa puede ser un inconveniente significativo, especialmente durante los meses más fríos. Los calefones desempeñan un papel fundamental en proporcionar agua caliente para duchas, lavado de manos y otras necesidades diarias. En esta guía, abordaremos algunas de las soluciones comunes a problemas de calefones y cómo podemos ayudarte a restaurar el confort en tu hogar.
**Falta de Agua Caliente: Posibles Causas y Soluciones**
- **Problema:** ¿Tu calefont no produce agua caliente en absoluto?
- **Solución:** Examinaremos las posibles causas, desde problemas con el piloto hasta fallos en el termostato, y cómo nuestros técnicos expertos pueden diagnosticar y solucionar estos problemas de manera eficiente.
** Agua Caliente Insuficiente: ¿Por qué no es suficiente para tus necesidades?**
- **Problema:** Si tu calefont proporciona agua caliente pero no en la cantidad deseada, es importante entender por qué.
- **Solución:** Exploraremos las razones detrás de la falta de agua caliente y cómo la limpieza, el mantenimiento y posibles actualizaciones pueden mejorar la capacidad de tu calefont.
- **Problema:** ¿Tu calefont no enciende o no produce suficiente calor?
- **Solución:** Identificaremos problemas comunes como termostatos defectuosos, quemadores obstruidos o sensores defectuosos y cómo abordarlos.
**Reparación vs. Reemplazo: Tomar Decisiones Informadas**
- **Problema:** A veces, la reparación no es la mejor opción. ¿Cuándo deberías considerar la sustitución de tu calefont?
- **Solución:** Discutiremos las señales de que tu calefont podría necesitar ser reemplazado y cuándo la reparación es una solución más eficiente.
** Mantenimiento Preventivo: Evitando Problemas Futuros**
- **Consejo:** La prevención es fundamental. Aprende cómo el mantenimiento regular puede extender la vida útil de tu calefont y mejorar su eficiencia energética.
**Seguridad en la Reparación de Calefont: Importancia de Profesionales Certificados**
- **Advertencia:** Los calefont involucran gas y electricidad, lo que puede ser peligroso si no se maneja adecuadamente.
- **Solución:** Explicaremos por qué es esencial contratar a técnicos certificados para reparar calefont y garantizar la seguridad de tu hogar.
**Calefont Eficientes: Consideraciones para la Sostenibilidad**
- **Consejo:** Descubre cómo los calefont de alta eficiencia pueden reducir tus costos de energía y minimizar tu impacto ambiental.
**Servicios de Reparación de Calefont: Nuestra Experiencia y Compromiso**
Un calefont eficiente es esencial para mantener tu hogar cálido y acogedor. Al comprender los problemas comunes, las soluciones y la importancia del mantenimiento preventivo, puedes mantener tu calefont en funcionamiento y eficiente durante más tiempo. Si enfrentas problemas con tu calentador, no dudes en contactarnos para programar una evaluación y obtener una solución confiable y segura. Estamos aquí para ayudarte a mantener tu hogar cálido y confortable.
Además identificaremos problemas comunes:
**Fugas de Agua o Gas: Detectar y Resolver Problemas de Seguridad**
- **Problema:** Las fugas de agua o gas son problemas críticos que deben abordarse de inmediato.
- **Solución:** Aprenderás a detectar las señales de fugas y por qué es crucial contar con profesionales para solucionar estos problemas de manera segura y eficaz.
** Ruidos Extraños del Calefont: ¿Por qué sucede esto?**
- **Problema:** Los ruidos extraños pueden ser preocupantes y un indicativo de problemas potenciales.
- **Solución:** Descubre las causas detrás de los ruidos inusuales y cómo nuestro equipo puede eliminarlos para garantizar el funcionamiento silencioso de tu calefont.
** Mantenimiento Preventivo: La Clave para un Calefont Confiable**
- **Consejo:** Aprende sobre la importancia del mantenimiento preventivo y cómo realizar inspecciones regulares puede prolongar la vida útil de tu calefont,ahorrarte dinero y evitar interrupciones inesperadas de agua caliente.
Conclusion:
En FONOPRONTO comprendemos la importancia de tener un calefont confiable que proporcione agua caliente cuando más se necesita. Nuestro equipo de técnicos capacitados está listo para abordar cualquier problema de reparación de calefont que puedas tener. No dudes en contactarnos para programar una evaluación o para obtener más información sobre nuestros servicios de reparación de calefont. Estamos aquí para mantener tu hogar cómodo y funcionando sin problemas.
La reparación de un calefont puede variar según el tipo y la causa del problema. A continuación, te proporciono una guía general para reparar un calefont, pero ten en cuenta que, en algunos casos, puede ser necesario llamar a un profesional si no te sientes seguro o si el problema es complicado:
**Importante:** Antes de realizar cualquier reparación en un calefont, asegúrate de apagar la alimentación de gas o electricidad y dejar que el dispositivo se enfríe si ha estado funcionando. Además, sigue siempre las recomendaciones del fabricante y, si no estás seguro de lo que estás haciendo, es mejor consultar a un profesional.
**1. Falta de Agua Caliente:**
- Verifica si la llave de paso de gas o la alimentación eléctrica están encendidas.
- Si el piloto se apagó, sigue las instrucciones del fabricante para encenderlo nuevamente.
- Comprueba si el termostato está configurado a la temperatura deseada.
**2. Fugas de Agua o Gas:**
- Si detectas una fuga de agua, cierra inmediatamente la llave de paso de agua y llama a un profesional para reparar la fuga.
- Si detectas una fuga de gas, apaga la alimentación de gas, ventila la zona y llama a los servicios de emergencia y a un profesional para reparar la fuga.
**3. Ruidos Inusuales:**
- Ruidos como crujidos o golpeteos pueden ser causados por acumulación de sedimentos en el tanque. Drena y enjuaga el tanque siguiendo las instrucciones del fabricante.
**4. Agua Caliente Insuficiente:**
- Asegúrate de que el termostato esté configurado a la temperatura adecuada.
- Limpia el calefont y el quemador de gas o las resistencias eléctricas de acuerdo con las instrucciones del fabricante.
**5. Problemas con el Piloto:**
- Si el piloto se apaga con frecuencia, puede haber un problema con el termopar. Limpia o reemplaza el termopar siguiendo las indicaciones del fabricante.
**6. Servicio Profesional:**
- Si enfrentas problemas graves, como un calefont que no enciende o emite ruidos fuertes, es aconsejable llamar a un profesional en reparación de calefones o un técnico con experiencia en calefones para una evaluación y reparación adecuada.
Recuerda siempre priorizar la seguridad al reparar un calefont. Si no te sientes cómodo o seguro haciendo las reparaciones, es mejor solicitar la ayuda de un profesional. Además, realizar un mantenimiento regular de tu calefont puede prevenir problemas futuros y mantenerlo en funcionamiento eficiente.
El técnico indicado para realizar mantenciones, reparaciones e instalaciones de calefont,debe ser técnico de gas clase 3 autorizado por la SEC (Superintendencia de Electricidad y Combustible) y debe seguir un enfoque profesional y seguro para brindar un servicio eficiente y confiable a los clientes.Cuál es la actitud adecuada de un técnico en reparaciones de calefones:
1. **Seguridad en Primer Lugar:**
- Antes de comenzar cualquier trabajo, asegúrate de que la alimentación de gas o electricidad esté apagada y de que el calefón esté completamente apagado y enfriado.
- Utiliza equipo de protección personal, como guantes, gafas de seguridad y ropa adecuada.
2. **Comunicación con el Cliente:**
- Escucha atentamente al cliente para comprender los problemas que enfrenta con el calefont.
- Explica de manera clara y comprensible las reparaciones necesarias y los costos asociados.
3. **Evaluación y Diagnóstico:**
- Realiza una inspección completa del calefont para identificar la causa del problema.
- Utiliza herramientas y equipos adecuados para realizar mediciones y pruebas necesarias.
4. **Reparación Profesional:**
- Lleva a cabo las reparaciones de acuerdo con las especificaciones del fabricante y las mejores prácticas de la industria.
- Utiliza piezas de repuesto de alta calidad y originales cuando sea necesario.
5. **Mantenimiento Preventivo:**
- Ofrece recomendaciones al cliente sobre el mantenimiento preventivo que puede realizar para prolongar la vida útil del calefont y prevenir futuros problemas.
6. **Seguridad del Trabajo:**
- Siempre sigue las regulaciones de seguridad aplicables al trabajar con gas o electricidad.
- Inspecciona y prueba las conexiones y componentes para asegurarte de que no haya fugas de gas o problemas eléctricos.
7. **Limpieza y Organización:**
- Deja el área de trabajo limpia y organizada después de completar las reparaciones.
- Elimina adecuadamente cualquier material o equipo desechable.
8. **Explicación al Cliente:**
- Una vez que hayas completado las reparaciones, explica al cliente lo que se hizo y asegúrate de que comprenda cómo operar el calefont de manera segura.
9. **Documentación:**
- Lleva un registro detallado de las reparaciones realizadas, las piezas utilizadas y cualquier recomendación para el cliente.
- Proporciona al cliente una factura o recibo que detalle los servicios prestados y los costos asociados.
10. **Ética Profesional:**
- Mantén la integridad y la ética profesional en todo momento.
- Respeta la privacidad del cliente y la confidencialidad de la información.
11. **Capacitación Continua:**
- Mantente actualizado con las últimas tecnologías y mejores prácticas en reparación de calefones mediante la capacitación continua.
12. **Atención al Cliente:**
- Escucha y responde a las preguntas o inquietudes del cliente de manera cortés y profesional.
- Ofrece un servicio al cliente excepcional y resuelve cualquier problema que surja de manera efectiva.
Un técnico en reparaciones de calefones debe ser competente, seguro y ético en su trabajo, brindando un servicio de alta calidad y garantizando la satisfacción del cliente. La seguridad, la profesionalidad y la comunicación efectiva son elementos clave para el éxito en esta profesión.
Nuestros técnicos acreditados y autorizados desempeñan un papel crucial en la prestación de servicios profesionales y seguros. Ya sea en reparaciones, instalaciones o mantenimiento:
1. **Cumplir con las Normativas y Regulaciones:** Los técnicos autorizados deben estar familiarizados y cumplir con todas las normativas y regulaciones pertinentes en su campo, ya sea eléctrico, mecánico, plomería, etc. Esto incluye estándares de seguridad, códigos de construcción y reglas de la industria.
2. **Formación y Certificación:** Los técnicos deben estar debidamente capacitados y certificados en su campo. Mantenerse actualizados con la educación continua es esencial para mantener su autorización y habilidades al día.
3. **Seguridad en el Trabajo:** Priorizar la seguridad es fundamental. Los técnicos deben seguir las mejores prácticas de seguridad en todas las tareas, usar equipo de protección personal y evaluar los riesgos antes de comenzar cualquier trabajo.
4. **Ética Profesional:** Los técnicos deben actuar con integridad y ética en todo momento. Esto incluye ser honestos con los clientes sobre los problemas y costos, no aceptar sobornos ni cometer actos indebidos y respetar la confidencialidad del cliente.
5. **Comunicación Efectiva:** Los técnicos deben comunicarse de manera efectiva con los clientes. Esto incluye explicar claramente el trabajo que se realizará, proporcionar estimaciones de costos precisas y responder a las preguntas y preocupaciones del cliente de manera profesional.
6. **Calidad del Trabajo:** Realizar el trabajo con precisión y calidad es esencial. Los técnicos deben esforzarse por realizar las reparaciones o instalaciones de manera que sean seguras y duraderas.
7. **Resolución de Problemas:** A veces, pueden surgir problemas inesperados. Los técnicos deben ser competentes en la resolución de problemas y tomar decisiones informadas para abordar situaciones imprevistas de manera eficiente.
8. **Mantenimiento de Registros:** Llevar registros precisos de todo el trabajo realizado, incluidos los detalles de las reparaciones, las piezas utilizadas y los informes de inspección.
9. **Trabajo en Equipo:** Si trabajan en equipos, los técnicos deben colaborar y comunicarse de manera efectiva con sus colegas para garantizar que el trabajo se realice de manera eficiente y segura.
10. **Servicio al Cliente:** Los técnicos deben centrarse en la satisfacción del cliente. Esto incluye brindar un excelente servicio al cliente, responder a las quejas de manera adecuada y asegurarse de que el cliente esté satisfecho con el trabajo realizado.
11. **Actualización y Formación Continua:** Los técnicos deben mantenerse actualizados con las últimas tecnologías y técnicas en su campo a través de la educación continua y la formación.
12. **Seguro y Responsable:** Siempre deben estar asegurados y preparados para asumir la responsabilidad de cualquier daño o accidente que puedan causar durante su trabajo.
En resumen, nuestros técnicos acreditados autorizados son profesionales que deben actuar con integridad, habilidad y seguridad en su campo. Su objetivo debe ser brindar un servicio de alta calidad, proteger la seguridad del cliente y cumplir con todas las regulaciones y normativas aplicables.
QUE ES UN CALEFONT?
Es un artefacto a gas diseñado para producción instantánea de agua caliente y así proveer generalmente para uso sanitario y/o calefacción domésticos o comercial.
Está diseñado para operar con conexión a un ducto de evacuación de gases producido por la combustión descargando al exterior del recinto.Toma aire del recinto evacúa al exterior.Puede ser cortatiro,tiro natural o tiro forzado
Un calefont es un dispositivo que calienta el agua de manera instantánea,es decir,aumenta la temperatura del agua en el momento en el que vamos hacer uso de ella.
Al tener instalado un calefont en casa bastará con abrir la llave y automáticamente el agua que saldrá será caliente en el 95% de los hogares de Chile tenemos calefont a gas.Pueden ser gas licuado o gas natural.
Gas licuado mezcla propano butano con un poder calorífico de 13,000 kcal/m3.Es más denso que el aire por lo que asciende.
Gas natural constituido principalmente por metano con un poder calorífico entre 9300 kcal/m3 es menos denso que el aire por lo que asciende.
Gases producto por la combustión (GPDC) gases de chimenea: conjunto de gases producto de la reacción química entre un combustible y el oxígeno del aire-combustión normalmente constituido por el anhídrico carbónico (CO2)monóxido de carbono (CO),mezcla de combustible no quemado y exceso de aire.
COMO FUNCIONA UN CALEFONT
El funcionamiento de un calefont a gas es muy simple,los más antiguos eran con llama a piloto y válvula de agua al cual abrir la llave genera una presión dentro de la válvula haciendo que la membrana se dilate empujando el eje para que éste abra la válvula de gas y se enciende el quemador.Mientras el agua esté corriendo el calefont permanecerá encendido.Hoy en día tenemos distintos sistemas de encendido y en algunos modelos las antiguas válvula de agua han sido reemplazadas por Flowswitch (interruptores de flujo).
Siempre que se abre una llave de agua caliente en un Calefont tiro forzado se activa el interruptor de flujo,envía una señal electrónica al módulo encendido esta señal provoca lo siguiente:
El ventilador se pone en marcha,el presostato capta el funcionamiento del motor ventilador y da la señal al módulo encendido para que mande energía eléctrica a la electroválvula de gas para abrir el paso de gas hacia el quemador principal,simultáneamente el módulo encendido manda energía eléctrica a las dos bujías para la producción de chispa y permitir el encendido del quemador principal.
El quemador principal se enciende y las llamas de los quemadores activan la sonda de ionización la que envía la señal electrónica al módulo de encendido,verificando que todo funciona bien en el quemador principal,para que siga funcionando el paso de gas a los quemadores,sino se produce el encendido del quemador principal el sistema electrónico del módulo encendido capta la señal de peligro que le envía la sonda de ionización y corta energía a la electroválvula de gas cerrando el paso de gas.
La temperatura del agua es controlada automáticamente por los sensores actuando de acuerdo con la temperatura seleccionada.
QUE ES UN CALEFONT TIRO NATURAL
Significa que los gases producidos por la combustión, se expulsan al exterior en forma natural (ascendente) por temperatura.El calefont requiere de un ambiente con constante remoción de oxígeno para su funcionamiento. Para casas y terrazas abierta.
QUE ES UN CALEFONT IONIZADO
Por lo general Calefont ionizado es el que tiene encendido electrónico y son alimentados por baterías (pilas), la mayoría de los que hay en el mercado son con bujías y electrodos de ionización este detecta la llama del quemador transformando la temperatura en una señal eléctrica la cual mantiene el paso de gas abierto para que el artefacto se mantenga encendido.
QUE ES UN CALEFONT MODULANTE
Es aquel que se ajusta automáticamente la potencia del quemador cuando hay variación de la demanda de agua.
La temperatura siempre es constante.Esto quiere decir que al abrir dos o más llaves puede disminuir el caudal,pero el agua saldrá siempre con la misma temperatura.
QUE ES UN CALEFONT TIRO FORZADO
Son todos aquellos que tiene un motor extractor el cual expulsa los gases producido por combustión.Generalmente son usados en departamento o recinto donde no se puede instalar un ducto de tiraje directo con salida a los cuatro vientos.Este tipo de artefacto va conectado a una toma de corriente, el calefont de tiro forzado de cámara abierta ocupa el oxígeno del lugar en que está instalado y evacúa los gases producidos por la combustión hacia el exterior.
QUE ES UN CALEFONT TIRO FORZADO CÁMARA ESTANCA
Al igual que los calefont de cámara abierta estos tienen un motor extractor el cual expulsa los gases producidos por la combustión.la gran diferencia que la mayoría de estos modelos usan un ducto concéntrico (ducto doble) por uno ingresa el aire para producir la combustión y por el otro sólo expulsamos los gases.Estos calefont eran los únicos permitido en los baños o recinto cerrado sin ventilación.
Hoy la normativa de instalación ya no lo permite y sólo se pueden instalar termoeléctricos.
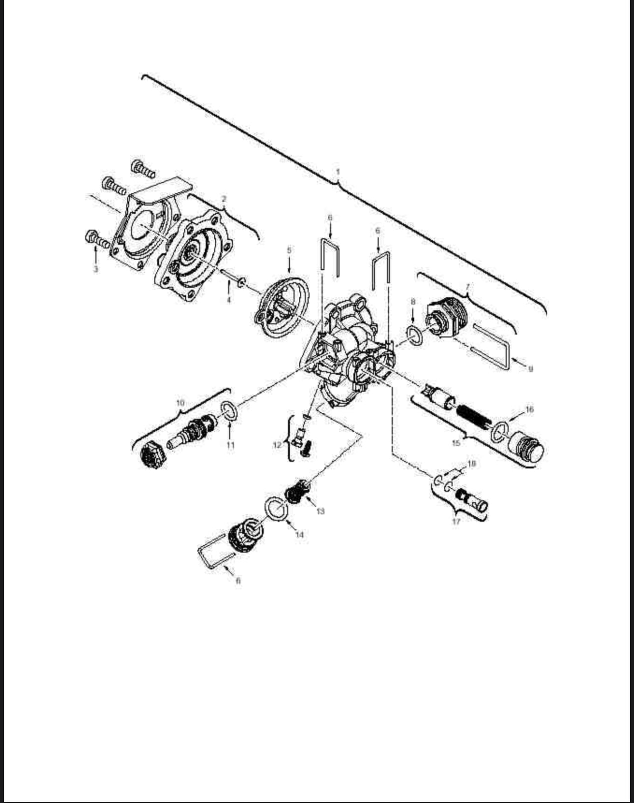
INSTRUCTIVO PARA EL MANTENIMIENTO DE LAS PARTES DEL CALEFONT JUNKERS BOSCH IONIZADO
- - El tubo de distribución se debe limpiar muy bien con brocha, es importante verificar que los inyectores no estén tapados.
Como recomendación usar un soplador o compresor para la limpieza (nunca usar agujas o alambres ya que estos dañan la la perforación lo cual puede producir una mala combustión). - - Es importante eliminar todo rastro de oxido en el quemador se puede usar una escobilla de acero o chascón de copa, una vez terminado este proceso sopletear con aire y recubrir con pintura de alta temperatura esto evitara el avance del oxido y extiende la vida del quemador.
- - Es muy importante el lavado de la cámara de combustión sobre todo en la parte del intercambiador de temperatura
(radiador) esto solo se hace con agua.
Recuerden que para hacer esté lavado la cámara de combustión se debe sacar del calefont. -
- En el caso que la cámara de combustión esté obstruida se puede hacer un destape con ácido muriático.
Agregar el ácido por una de las entradas de la cámara y dejar actuar por unos 10 a 15 minutos luego enjuagar con abundante agua. Si esta no se destapa repetir el proceso. - - Es muy importante usar implementos de seguridad (guantes, lentes y mascarilla).
INSTRUCTIVO PARA EL MANTENIMIENTO DE LAS PARTES DEL CALEFONT Y LA VÁLVULA JUNKERS BOSCH
Funcionamiento del Cuerpo de Agua.
Varía con respecto a los modelos de calentadores anteriores en cuanto a la posición respecto al cuerpo de gas del calentador, pero es Idéntico en cuanto al funcionamiento y elementos que lo componen.
Constan de un Filtro de Agua y un Estabilizador de Caudal. Tienen una válvula regulable de forma manual desde el exterior (Selector de Caudal) por la que se fija el caudal máximo de agua que deja pasarle calentador.
El agua, después de pasar por el Filtro y por el Estabilizador (común para todos los litrajes) pasa por la cámara del Cuerpo de Agua dividida por una Membrana de silicona y a su salida pasa por la desembocadura de un tubo calibrado más fino (Venturi, común a todos los modelos). En dicha desembocadura, por el paso de una corriente de agua, se produce una depresión en la parte izquierda de la Membrana con la que está comunicado.
Esta Membrana se desplaza hacia la izquierda y desplaza consigo al vástago que une los Cuerpos de Agua y de Gas. Este vástago abre la Válvula Principal de Gas.
Existe una Válvula de encendido lento, su misión es hacer que los movimientos del conjunto Membrana y vástago no sean muy bruscos y produzcan encendidos violentos en el quemador. Esta válvula consiste en un pequeño cilindro de paredes estriadas en cuerpos de poliamida.
Retirar los pernos de la válvula de agua.
Sacar la membrana, en el caso de los modelos ionizados el platillo se mantiene.
Sacamos la prensa estriada y el regulador de caudal.
Se debe limpiar el filtro de la válvula en el caso de que este dañado,es recomendable cambiarlo.
Instalamos el nuevo regulador de caudal y la prensa estriada, esta debe quedar bien incrustada en el plástico de la tapa válvula.
Es muy importante hacer el cambio de estos dos componentes en cada mantención.
Es muy importante lubricar con grasa consistente el eje accionador,ya sea en los modelos ionizados o con piezo eléctrico.
Por ultimo instalamos la nueva membrana y cerramos la válvula con sus respectivos pernos.
El torque debe ser solo el suficiente para que la válvula no filtre.
Es muy importante que la membrana no quede mordida.
Si la válvula de agua llega a tener filtración por fisuras en el cuerpo,se debe cambiar por una nueva.
El manto impide que el poder calorífico de la llama no se pierda.
El serpentín es la cañería por donde se conduce el agua hacia un intercambiador de temperatura y además refrigera el manto para extender la vida útil de la cámara de combustión.
El intercambiador de temperatura es donde finalmente se calienta el agua.Es importante realizar mantenimiento ya que cuando está sucio se produce mala combustión o mala salida de gases de combustión.
El quemador es por la parte que sale la llama que calienta el intercambiador de temperatura de la cámara de combustión.Cada quemador está compuesto por su placa en las cuales se produce la mezcla de oxígeno con el gas y así tener una buena combustión.La cantidad de placas del quemador varía según los litros del calefont.
Tubo de distribución es dónde se encuentran los inyectores,el diámetro de la perforación de los inyectores varían según el tipo de gas que se utilice.
Collarín parte de un artefacto que se diseña para conectar con el conducto de evacuación de gases producido por la combustión y el cortatiro es la parte superior de los calefont de tiro natural,su función es extraer los gases producidos por la combustión.Está compuesto por varios deflectores,por los cual ingresa el aire frío que al tener contacto con los gases caliente se produce un tiraje en forma natural.Es muy importante que el ducto secundario quede siempre bien conectado el collarín ya que si se produce una devolución de gases (monóxido de carbono)es muy peligroso y esto puede causar intoxicación e incluso la muerte si el lugar no tiene una buena ventilación.La combustión es una oxidación rápida de GPDC acompañada por la producción de calor y luz.El CO AMBIENTAL es la concentración de monóxido de carbono que existe en el recinto donde se encuentra instalado un artefacto a gas las condiciones más desfavorables y por un tiempo específico se considera defecto crítico concentraciones mayores a 50 ppm.El CO CORREGIDO es la concentración de monóxido de carbono que existe en el ducto de evacuación producto de la combustión de un artefacto tipo B (calefont)da cuenta del estado de la combustión.
Las bujías son las que producen el arco eléctrico que enciende el piloto o directamente el quemador del calefont,la mayoría de los calefont que hoy tenemos en el mercado son de encendido por bujías ya que esto no tienen piloto.El electrodo de ionización es el que detecta la llama del quemador transformando la temperatura en una señal eléctrica a través de la sonda de módulo de control,la cual permite que éste mantenga el paso del gas abierto mientras el quemador tengan la llama encendida.
Todos los sensores actúan por temperatura se les nombra de distintas formas dependiendo de la ubicación en la que estén instalados generalmente son normales cerrados y se desactivan con el aumento de temperatura.Todos los que estén instalados en la cámara de combustión simplemente se le llama sensores de temperatura y su graduación según la marca y modelo van de los 75 a los 95° siendo más usado el de 80 grados.El que está instalado en el corta tiro se llama sensor de revoco y este actúa cuando la temperatura aumenta lo cual indica que hay devolución de gases,en algunos modelos su graduación va desde los 100° hasta los 130° siendo el más usado el de 120 grados.
El presostato es aquel que funciona de la siguiente manera ya sea por presión o succión de aire.Se conecta el microswitch que envía la señal al módulo de control para que genere la chispa de ignición y abra el paso del gas.
El módulo de control o tarjeta electrónica es aquel que comanda todo el sistema de encendido y funcionamiento del calefont este funciona como un transformador el cual distribuye la energía eléctrica a todos los componentes del artefacto.El modelo calefont de tiro forzado la conexión es a 220 Volts.
Micro interruptor o micro switch es un elemento auto ajustable con un balancín que está en contacto con el vástago único del conjunto de funcionamiento sincronizado de la válvula de gas y válvula de agua.Cuando se abre una llave de agua caliente el micro switch funciona por el movimiento del balancín único y envía la información de entrada a la placa electrónica del módulo encendido para el funcionamiento del calefont.
Sonda de ionización es un sistema de seguridad que recibe el calor de los quemadores, a través de la sonda de ionización,el módulo de encendido recibe la información en su placa electrónica,si hay anomalía de no presencia de llama,la señal del módulo de encendido bloquea la salida de gas,esta sonda de ionización se encuentra según el modelo de Calefont unida alrededor del piloto o alrededor de las bujías.
Electroválvula de gas recibe la energía eléctrica del módulo encendido para que funcione la bobina electromagnética que permite abrir y cerrar el paso de gas hacia los quemadores.
Hidro Power,micro turbina o hidro generador está ubicado en la salida de la válvula de agua y la entrada al serpentín,su funcionamiento es de la siguiente manera,cuando se abre una llave de agua caliente la presión de agua fría ingresa a la válvula de agua y sale por el tubo Ventury para ingresar al hidro Power,esta presión de agua puede circular por un conducto llamado bypass y mueve unas aspas unida a un electro imán,este movimiento giratorio de la micro turbina genera una energía eléctrica de corriente continua de 1,5 V en una bobina que permite alimentar energía eléctrica al módulo encendido para el funcionamiento del sistema electrónico del Calefont,estos Calefont traen un display digital que permite visualizar la temperatura de salida del agua,estado funcionamiento de los quemadores y otras anomalías que pueden ocurrir.
INSTRUCTIVO PARA EL MANTENIMIENTO:
- Es preciso cumplir con las normas sobre la correcta ventilación en especial las normas que tienen que ver con la chimenea en el caso que este artefacto se instale en el exterior o en zonas donde la temperatura es de bajo cero se exige vaciar el circuito del Calefont, después de ser usado no use este artefacto sin que esté correctamente instaladas todas las conexiones de agua gas y evacuación de gases.
- Es muy importante evitar anular los dispositivos de seguridad del equipo debido a que se pueden producir accidentes.
- Existe el riesgo de quemaduras si se toca la salida al ducto de los gases cuando el equipo está encendido.
- Éste artefacto está concebido para funcionar especialmente en combinación con sistemas solares.
- El funcionamiento es totalmente automático y sumamente sencillo.El encendido ionizado se produce automáticamente por una chispa (encendido ionizado )
- Ajuste extremadamente sencillo de temperatura y salida de agua mediante una pantalla digital valor regulable entre 35 y 65° grados 100% compatible con sistemas solares ya que acepta agua entrante del sistema solar y su temperatura de entrada, si enciende o no, y a qué potencia.
- La cantidad de gas usado por el Calefont depende directamente de la temperatura de la que se requiere el agua y de la temperatura de entrada de este, al censar la temperatura de entrada, el calefont mediante una tarjeta electrónica modula la cantidad de gas a utilizar para alcanzar una eficiencia y confort óptimo.
- El volumen de agua regulable por el usuario,por lo cual el usuario puede ajustar el caudal a su nivel que más le agrada como así mismo buscar el punto de mayor economía.
- El calefont de tiro balanceado (cámara estanca, tiro forzado),lo que hace posible la instalación del artefacto en lugares no ventilados.
- El diseño innovador ocupa un espacio mínimo y al mismo tiempo hace fácil la instalación como también su posterior mantenimiento.
- Tecnología de punta para ahorro de energía con máxima eficiencia de combustión.
- Encendido a muy bajas presiones (0,2 bar) de agua favorece estos artefactos para ser instalado en edificios de altura o en la costa.
- El calefont es fabricado para funcionar con gas natural y gas licuado.si se desea transformar el Calefont de gas licuado a gas natural se debe contactar con un técnico autorizado.
- El calefont puede ser instalado en lugares sin ventilación debido a que su cámara de combustión es hermética (cámara estanca).
- En las funciones de seguridad incluyen sensor de retroceso de gases de combustión.
- El sensor ionizado de llama corta el gas si la llama del artefacto se apaga inesperadamente.
- La válvula de vaciado, es para vaciar el agua del artefacto en caso de heladas.
- El calefont se apagará si existe insuficiente flujo de agua.
- En caso de no llegar agua al artefacto se apagará automáticamente.
- Tiene un temporizador que apaga el artefacto después de 20 minutos de uso continuo.
- una vez al año se debe limpiar el quemador y el intercambiador de calor.
- Revisión de la ubicación y funcionamiento de la bujía de encendido.
- Revisión y funcionamiento de la válvula de gas y agua.
- Revisión y limpieza de filtro de agua.
- Una vez cada dos años desincrustantes en el interior del intercambiador de calor. Se puede efectuar solamente por personal autorizado.
- Antes de operar asegúrese de las siguientes condiciones:
Que el gas indicado en la plaqueta del artefacto corresponde al de la instalación. - Que esté abierto la llave de paso de gas antes del Calefont
- Que no hay olor a gas
- Que este enchufado el artefacto con su correspondiente conexión a tierra.
- Que esté abierta la llave de paso de agua antes del Calefont.
- Si es primera vez que se enciende el artefacto o después de un cambio de balón de gas licuado va a quedar una cantidad de aire en la cañería de gas, si al abrir una llave de agua caliente el calefont no enciende, cierre la llave de agua caliente espere unos 10 segundos y trate de nuevo varias veces repita hasta que el calefont encienda.
- Para encender el calefont se necesita apretar el botón de encendido On Off el Calefont puede quedar en modalidad de encendido sin provocar un consumo significativo. En la puesta en marcha mediante los botones de regulación de temperatura se debe regular la temperatura deseada para el baño, esta temperatura quedará grabada mientras no se apague el aparato,también se puede variar el flujo de agua a través de la válvula ubicada en la entrada de agua del calefont, para conseguir un menor consumo de agua y gas al pasar el agua por el calefont el icono flujo de agua en la pantalla digital indicará que hay agua moviéndose en el sistema.Los sensores de temperatura detectarán si es necesario o si no es necesario encender el Calefont,según la temperatura de entrada indicada en (temperatura).De no ser necesario encender, el Calefont arrojará un mensaje de error por 5 segundos (Trouble de Code) y luego mostrará en la pantalla digital la temperatura de salida del agua en este caso no se utilizará gas y el agua simplemente pasará por el artefacto.
- Al momento de qué el calefont requiriera encender por una baja temperatura la tarjeta electrónica,mediante los datos de entrada de los sensores le indicarán a la válvula de gas cuando abrir para poder llegar a la temperatura solicitada se prenderá el icono de combustión y de ventilación.
- La tarjeta electrónica irá ajustando la llama para obtener una temperatura de salida constante,indiferente de qué varía la temperatura de entrada o la presión de agua. La temperatura de salida se iniciará en la pantalla digital siempre que el Calefont esté encendido.Siempre deberá indicar que se están evacuando los gases mediante el (ventilador) esto puede continuar por unos segundos después de cortada el agua con el fin de evacuar todos los gases del artefacto,con el fin de evitar incrustaciones de calcio/sarro en el artefacto, se recomienda una vez finalizado su uso apagar el artefacto y dar el agua fría para que solamente quede fría en el interior del Calefont.
- En invierno y en lugares donde el agua pudiera congelarse será necesario desagüar el artefacto.Proceda de la manera siguiente:
- Cierra la llave de paso del agua.
- Abajo a mano derecha al lado de la válvula controla el flujo de entrada se encuentra la válvula de vaciado, retire el tapón del desagüe y deje el artefacto se desagüe completamente.
- Antes de ocupar el Calefont nuevamente proceda a llenar el artefacto completamente antes de encender.
- Las precauciones de seguridad, es si usted siente olor a gas revise la cañería de gas, con una solución jabonosa para descubrir eventuales filtraciones si encuentra alguna filtración olor a gas cierra la llave de paso del gas y no encienda ningún interruptor o artefacto eléctrico para prevenir un incendio o explosión.
- Nunca cambie de un gas a otro.Para hacer este cambio es necesario que lo haga un personal autorizado.
- Revise la manguera de presión de su estanque de gas licuado y reemplácela periódicamente para evitar trizaduras o filtraciones.
- La llama de su Calefont debe quemar en forma estable,investigue la causa si esto no fuera el caso. posibles causa regulador de gas defectuoso,filtro de gas sucio,agua de la cañería,quemador sucio etc.
- De vez en cuando revise la llama del Calefont que esté completamente apagada cuando el aparato no está en uso.Si no está apagada,cierre la llave de gas y llame al servicio técnico.Posibles causas de este problema filtración de agua,daños en la válvula de gas del artefacto.
No coloque líquidos o materiales inflamables cerca o debajo del artefacto - Por ningún motivo obstruya o remueva el tubo de ventilación de la chimenea
- Si usted se da cuenta que la Llama está quemando en forma anormal amarilla o con ruido llame al servicio técnico para una revisión y o limpieza del artefacto,una llama deficiente puede producir monóxido y acortará la vida de los quemadores.
- Se recomienda la instalación de un filtro tipo Y antes que la entrada de agua fría,para evitar restos de basura que ingresan al equipo y bloqueen su funcionamiento.
- Cuándo la presión del agua es menos que 0,2 bar el calefont no encenderá.
- Lo importante que el calefont tiene un control de seguridad que apaga el Calefont si éste funciona más de 20 minutos.
- Revise que la manguera del gas licuado está en buenas condiciones.
- Si dispone de un filtro de agua hágalo limpiar con cada servicio técnico.
- Una vez al año haga limpiar el quemador y el intercambiador de calor.
- Artefacto instalado al interior de un recinto sin conducto de evacuación de gases conectado o conducto desconectado.Es un defecto crítico, este defecto provoca la emanación de monóxido de carbono en la mayoría de los casos superior a los 50 PPM poniendo en riesgo la vida,salud y seguridad de quién estén habilitando la instalación.
- Artefacto presenta llama envolvente defecto mayor,llama con forma alargada que indica una regulación inadecuada entre la cantidad de paso de gas y el aire que se combinan para que se produzca la combustión del artefacto.
- Artefacto se apagan quemadores en posición mínima defecto menor,ausencia de mantención y/o limpieza de los componentes del artefacto,que provocan problemas en el funcionamiento.
- Artefacto presenta sistema de seguridad defectuoso o no operativo o desconectado,defecto mayor,sistema que permite que el corte de gas frente a la devolución de gases como medida para evitar intoxicación por CO.
- Accesorio o dispositivo instalado en el artefacto a gas que afecta adversamente la combustión evacuación de gases,defecto mayor,se encuentra prohibido instalar en los artefactos a gas cualquier dispositivo accesorio que puede afectar negativamente su combustión u evacuación de gases producto de la combustión.
- Material de ducto no cumple debe ser acero galvanizado aluminio zinc de 0,8mm de espesor defecto mayor,conducto diseñado para resistir las altas temperaturas producto de la combustión de los artefactos tipo B espesores de 0,5mm o menos y ductos corrugado no cumplen esta función.
- Ducto mal sellado al collarín y al conducto colectivo,defecto mayor,unión entre conducto y collarín de artefacto es insuficiente o el sello aplicado no cumple con el requisito de ser silicona de alta temperatura mayor a 350 °C.
- Ducto no sellado en uniones con silicona de alta temperatura,defecto mayor,unión entre conducto y collarín de Calefont no posee silicona de alta temperatura existiendo el riesgo de devolución de gases al recinto donde se encuentra instalado el artefacto,produciéndose emanación de monóxido de carbono.
- Ducto no afianzado,defecto mayor,conducto no se encuentra afianzado en todo su recorrido desde la unión del collarín hasta el Sombrerete.
- Ducto instalado por dentro del collarín,defecto crítico,conducto mal posicionado produciéndose emanación de monóxido de carbono cuando este artefacto se encuentra en funcionamiento.
- Ducto sin Sombrerete,defecto mayor,toda descarga de gases producto de la combustión debe poseer Sombrerete,el no tener provoca problemas en el tiraje de los gases y Si está a la intemperie expone a la entrada de agua,bichos y animales produciendo falla parcial o definitiva del artefacto.
- Ducto cercano a material combustible a menos de 15 cm,defecto mayor,distanciamiento mínimo de seguridad que debe poseer el conducto de evacuación de gases producto de la combustión con materiales combustibles en todos los sentidos,previniendo así fuentes de ignición producto del aumento de la temperatura del conducto de evacuación de gases.
- Ducto de artefacto puesto a daño mecánico debe ser protegido,defecto mayor,defecto que se produce en instalaciones de gas en donde el Calefont tiro forzado posee un ducto de evaluación al exterior en contacto con ventanas tipo correderas.
- Ducto de artefacto se encuentra conectado a campana de recinto,defecto mayor,ducto por seguridad debe descargar únicamente de forma individual o conectado a un conducto colectivo estando prohibido descargar a una campana de extracción.
- Ducto no presenta 30 cm mínimo en primer tramo antes de un quiebre,defecto mayor,distanciamiento mínimo de seguridad que debe poseer el conducto de evacuación de gases producto de la combustión antes de realizar un cambio de dirección para asegurar la salida de los gases combustión.
- Ducto de evacuación no descarga a los cuatro vientos,defecto mayor,ducto no sobresale a la techumbre al menos 90 cm coronado con un Sombrerete aceptado por la normativa.
- Ducto se encuentra visiblemente dañado,defecto mayor,ductos se observa con algún tipo de daño como abolladura,corrosión,golpe,etc. El ducto debe encontrarse sin ningún tipo de daño para asegurar estanqueidad y que el recorrido del gas termine en el exterior.
- Sombrerete no cumple debe ser tipo sencillo o plano,defecto mayor,terminal de ducto de evacuación que facilita la dispersión de los gases de combustión disminuye la influencia adversa del viento,impide introducción de agua lluvia insectos u otro.
- Sombrerete no cumple debe ser tipo H,defecto mayor,utilizado en condiciones climáticas adversas (lluvia o nevazones)para evitar que ingrese agua o nieve y dañe el artefacto o se tape la descarga de los gases.
- Sombrerete no cumple debe ser tipo busca para descargar por fachada,defecto mayor,conocido también como Sombrerete tipo austral ese tipo de Sombrerete es permitido por norma para descarga por fachada.
- Sombrerete se encuentra obstruido por elementos extraños,defecto mayor,terminal se encuentra obstruido o tapado por algún elemento ajeno a él se han encontrado desde panales de abejas,nido de aves y elemento de construcción.
- Ducto no original del fabricante,defecto mayor,apto para artefactos calefont de tiro forzado sólo se acepta el ducto original del fabricante ya que cada artefacto,posee características diferentes por lo tanto, la materialidad la forma y la longitud máxima de cada conducto son diseñada de tal manera que asegura un óptimo funcionamiento del artefacto y una correcta descarga de gases de éste.
- Ducto sin difusor o deflector,defecto mayor,aplica para este efecto Calefont de tiro forzado el difusor previene la entrada de elementos que pueden obstruir la libre evacuación de los gases producto de la combustión hacia el exterior.
- Ducto con pendiente positiva debe debe tener pendiente de al menos de 1% negativa.efecto mayor, ya que al poseer pendiente negativa se previene la devolución de agua por efectos de lluvias o por condensación de gases.
- Distancia a fachada no cumple la salida de los gases debe estar a no más de 10 cm de la fachada,defecto mayor, aplica para artefactos Calefont de tiro forzado donde solamente debe sobresalir hacia el exterior el difusor de conducto de evacuación de gases.
- Ducto de evacuación de los gases a menos de 2,20 MTS de nivel de piso terminado de tránsito de personas, defecto mayor,esta condición aplica en construcciones que poseen instalaciones de gas en el primer piso con artefactos calefont tiro forzado,cual permite que no exista contacto entre el gas evacuado y las personas que transite por el espacio en donde evacúa estos gases.
- Fuga de gas en artefacto,defecto crítico,escape de gas producida por falta de mantención del artefacto desgaste de sus piezas inferiores.
- Fuga de gas entre el artefacto y su llave de paso mayor a 7MMCA, defecto crítico,escape de gas producido por la unión no estanca o no hermética entre las conexiones roscadas comprendida desde la llave de paso hasta la entrada del artefacto.
- Fuga de gas en Red superior a 7MMCA,defecto crítico,límite mínimo para rechazar un escape de gas producido en las conexiones uniones roscada o soldadas comprendida desde el medidor hasta las llave de paso de los artefactos de la instalaciones de gas.
Código de Error Junkers Hydropower Plus
El montaje, el mantenimiento y la reparación sólo deben ser efectuados por técnicos acreditados.
Display
A4 Dispositivo de control de salida de gases quemados actuando.
▶ Verificar la salida de gases quemados.
▶ Ventilar el local y después de 10 min.
volver a poner en marcha el aparato. Si el fenómeno se repitiera, contacte con un instalador autorizado.
A7
Conexiones al sensor de temperatura de salida NTC con defecto.
▶ Verificar las conexiones del sensor de temperatura.*
CA
Sensor de caudal de agua detecta caudal 30 l/min.
▶ Asegurar que el caudal de agua se encuentra entre los valores permitidos ( 1,5 l/min < 30 l/min).
E0
Fallo de la caja electrónica.
▶ Cerrar y abrir un grifo de agua caliente. Si continua llamar un técnico acreditado.
E1
Sensor de temperatura en sobrecalentamiento. (Temperatura de salida superior a 85 °C).
▶ Esperar para que el aparato se enfrie y tentar de nuevo.
E2
Sensor de temperatura de entrada NTC con defecto.
▶ Verificar sensor NTC y respectivas conexiones.*
E9
Limitador de temperatura.
Esperar 10 minutos y volver a conectar el aparato. Si continua llamar un técnico acreditado.
EA
No hay llama en el quemador.
¿Válvula de gas abierta?
▶ Verificar presión de alimentación del gas, conexión de la red, el electrodo de ignición y de ionización.*
F0
La alimentación fue efectuada con el grifo de agua caliente abierto.
▶ Cerrar el agua y volver a abrir. Si continua llamar un técnico acreditado.
F7
Hay llama en el quemador pero el aparato está apagado.
▶ Verificar los electrodos y el cable. Verificar el conducto de gases quemados y la placa electrónica.*
FA
Después de apagar el gas el aparato detecta llama.
▶ Llamar un técnico acreditado.
FC
Teclas “+”, “-” o “P” pulsadas por mas de 30 segundos.
▶ Soltar el botón.
FE
Motor paso a paso desconectado.
▶ Llamar un técnico acreditado.
Sin indicaciones
Fallo de la caja electrónica.
▶ Llamar un técnico acreditado.
Con indicación , sin existencia de instalación solar.
La temperatura de salida seleccionada es inferior a la potencia mínima que el apa- rato proporciona.
▶ Aumentar el caudal de agua caliente. Si continua llamar un técnico acredi- tado.
Con indicación y temperatura del agua baja.
Código de Error Junkers Hydrocompact
Las tareas de montaje, mantenimiento y reparación solo deben ser realizadas por técnicos certificados y acreditados.
Display.
A0.Sensor de temperatura de entrada y salida dañados.
▶ Comprobar el sensor de temperatura y las conexiones correspondientes.
▶ Contactar con un técnico certificado y especializado.
A1
Temperatura muy elevada en el interior de la carcasa (temperatura exterior demasiado elevada, cámara de combustión calcificada).
El aparato regula automáticamente su potencia para evitar sobrecalentamientos.
A4
Sensor de temperatura de aire de la carcasa dañado.
▶ Comprobar el sensor de temperatura y las conexiones correspondientes.
A7
Sensor de temperatura de salida de agua dañado.
▶ Comprobar el sensor de temperatura y las conexiones correspondientes.
A9
El sensor de temperatura de salida de agua no está instalado correctamente.
Presión de entrada de gas baja.
▶ Comprobar el montaje.
▶ Comprobar la presión de entrada.
C7
El ventilador no funciona.
▶ Comprobar las conexiones del ventilador.
▶ Cerrar y abrir una llave de agua caliente.
Si el problema persiste,
▶ Contactar con un técnico certificado y espe-
cializado.
CA
Caudal de agua por encima del valor máximo especifi- cado.
▶ Comprobar el filtro/limitador de caudal de agua.
CF C1
Bloqueo de la salida de gases de combustión. Caudal de aire insuficiente para la puesta en marcha.
▶ Retirar la suciedad o cualquier otro objeto extraño del conducto de salida/admisión.
▶ Pulsar el botón de rearme. Si el problema persiste,
▶ Contactar con un técnico certificado y espe-
cializado.
E0
Avería de la carcasa electrónica.
▶ Pulsar el botón de rearme.
Si el problema persiste,
▶ Contactar con un técnico certificado y especializado
E1
El sensor de temperatura de la salida de agua ha detectado un sobrecalentamiento.
▶ Enfriar el aparato y volver a intentarlo.
Si el problema persiste,
▶ Contactar con un técnico certificado y especializado
E2
Sensor de temperatura de entrada dañado.
▶ Comprobar el sensor y las conexiones correspondiente
Código de Error Junkers Hydrowind Plus
Las tareas de montaje, mantenimiento y reparación solo deben ser realizadas por técnicos especializados y capacitados.
Display
A0
Sensor de temperatura de entrada y salida dañados.
▶ Comprobar sensores de temperatura y respectivas conexiones.
▶ Contactar con un técnico especializado y capacitado.
A7
Sensor de temperatura de salida de agua dañado.
▶ Comprobar sensor de temperatura y respectivas conexiones.
C7
El ventilador no funciona.
▶ Comprobar las conexiones del ventilador.
▶ Cerrar y abrir un grifo de agua caliente.
CA
Caudal de agua por encima del valor máximo especifi- cado.
▶ Comprobar el filtro/limitador del caudal de agua.
CF
Bloqueo de la salida de gases de combustión. Caudal de aire insuficiente para la puesta en marcha.
▶ Retirar la suciedad o cualquier otro objeto extraño del conducto de salida/entrada.
▶ Cerrar y abrir un grifo de agua caliente. Si el problema persiste:
▶ Contactar con un técnico especializado y capacitado
E1
El sensor de temperatura de la salida de agua ha detectado un sobrecalentamiento.
▶ Enfriar el aparato y volver a intentarlo.
Si el problema persiste:
▶ Contactar con un técnico especializado y capacitado
E2
Sensor de temperatura de entrada de agua dañado.
▶ Comprobar sensor e respectivas conexiones.
E9
Termofusible o limitador de temperatura.
▶ Contactar con un técnico especializado y capacitado.
EA
No se detecta la llama.
▶ Controlar la presión de alimentación de gas, la conexión a la red, el electrodo de encendido y el electrodo de ionización.
▶ Pulsar el botón de rearme.
EC
No se detecta la llama durante el funcionamiento del aparato.
▶ Controlar la presión de alimentación de gas, la conexión a la red, el electrodo de encendido y el electrodo de ionización.
▶ Pulsar el botón de rearme.
EE
Válvula solenoide no conectada.
▶ Comprobar conexión a la válvula y a la caja de control.
▶ Contactar con un técnico especializado y capacitado.
EF
Aparato para gas natural conectado a G.L.P.
▶ Contactar con un técnico especializado y capacitado.
F7
A pesar de que el aparato está desconectado, se detecta la llama.
▶ Comprobar los electrodos e o cabo.
▶ Comprobar el conducto de gases y la placa de
circuito impreso.
▶ Pulsar el botón de rearme.
Share
